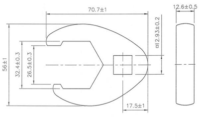
Plochý otevřený klíč BGS technic 1757-32 Rozměr: 32 mm Vodicí čtyřhran: 1/2" (12,5 mm) Šestihranný profil, chrom-molybdenová (Cr-Mo) ocel.
[Více zde]