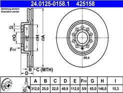
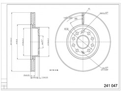
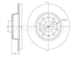
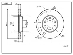
SWAG – kvalitní náhradní díly v OE kvalitě od německé značky s tradicí
Swag je podznačkou skupiny Bilstein. Její aktivity řídí sedmá generace rodiny a sídlem společnosti je německé město Ennepetal. Kromě značky Swag skupina provozuje také společnosti Febi a Blue Print. [Více zde]














































































































































