Správná montáž brzdových kotoučů
Kotouče vždy měnit jen oba na jedné nápravě.
Nečistit brzdové kotouče s ochrannou vrstvou (dodržovat pokyny uvedené v příbalovém letáku).
[Více zde]

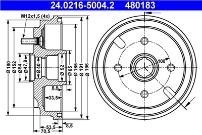
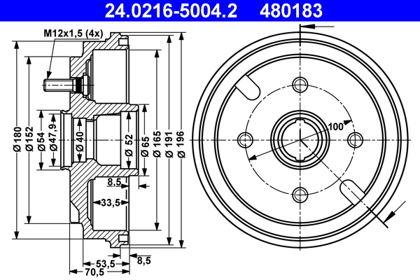
Doporučujeme Nový náhradní díl se zárukou. Díl nepasuje? Pak nám jej můžete do 14ti dnů od nákupu vrátit, podrobnosti čtěte zde. Díly od výrobce ATE doporučujeme všem, kteří hledají vysokou kvalitu bez kompromisů a vysoký brzdný účinek. Brzdové bubny lze objednat pouze v sudém množství.
Kotouče vždy měnit jen oba na jedné nápravě.
Nečistit brzdové kotouče s ochrannou vrstvou (dodržovat pokyny uvedené v příbalovém letáku).
[Více zde]
ATE keramické brzdové destičky pracují čistě a tiše s nízkým opotřebením.Tajemství těchto brzdových destiček tkví v polštářku sloučeniny v brzdových destičkách, který využívá moderní technologie vláken. Při brzdění vytváří "přenosový film" skládající se z extrémně tvrdé a odolné vrstvě proti opotřebení karbidů na brzdovém kotouči.Tím se výrazně snižuje opotřebení brzdového obložení.
Jak poznat, že se jedná o ATE Ceramic brake pads - 13.0470-5405.2 vždy musí být 470 na místě, kde je označené číslo červěně.
[Více zde]
Dosažení maximálního brzdného účinku je zaručeno u ATE PowerDisc. Jeho multifunkční "nekonečnou smyčku" drážka odvádí plyny a nečistoty, které by mohly snižovat brzdný výkon. Tento efekt zabraňuje "blednutí - ztráty brzdného účinku", a prodlužuje životnost brzdového kotouče.
Jak poznat, že se jedná o PowerDisc - 24.0322-0160.1 vždy musí být 3 na místě, kde je označené číslo červěně.
[Více zde]
Brzdové materiály od značky ATE, jsou navrženy tak, aby splňovaly přísné technické specifikace vozidel. [Více zde]