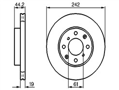
Brembo a precizní vyvážení brzdových kotoučů – pro hladké a tiché brzdění
Když se řekne brzdový kotouč, většina řidičů si představí jen kovový disk. U špičkových značek, jako je Brembo, je ale konstrukce kotouče výsledkem vysoce přesného inženýrství, ve kterém hraje klíčovou roli i dynamické vyvážení. [Více zde]














